tungsten carbide bush hammer tip
4 year agoTungsten Carbide Rotary Bush Hammer Roller Tool Tips
Product description of carbide stone cutting tips for rotary bush hammer roller tool
Bush hammer tips / tungsten carbide bush hammer inserts are made from tungsten carbide material.
Tungsten carbide bush hammer tips are used for processing the bush hammer surface on stone.
Widely used on granite, marble, sandstone, etc. to make rough surface.
Grit: fine/medium coarse
Work with high efficiency 6 times faster than that of manual processing.
The grit of bush hammered face can be adjusted.
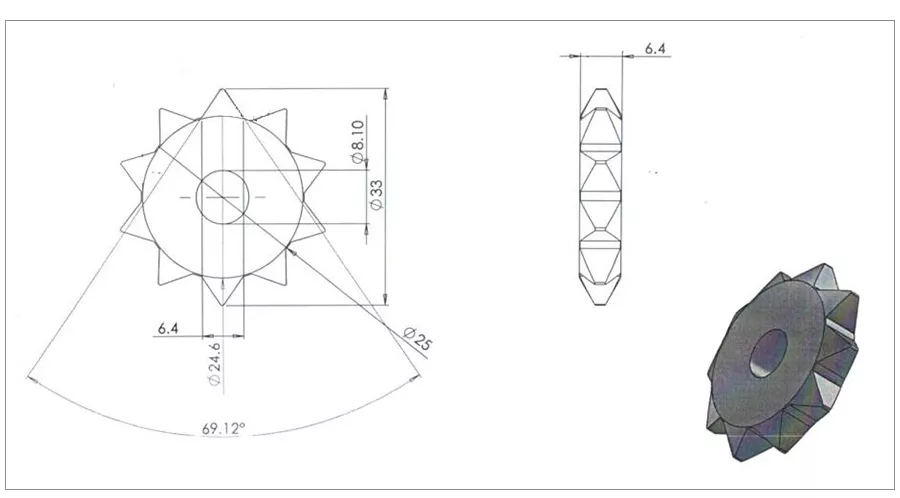
Size: Ф33xФ8.1x6.4-10C, Ф49.2xФ20x6.0-15Z, Ф33xФ8.1x6.4-5Z
Different design or customized design for tungsten carbide tips/ inserts for bush hammer is available!

Specification of tungsten carbide tips for bush hammer roller
Product name
Material
100% virgin tungsten carbide/ cemented carbide/ tungsten steel/ hard alloy
Shape
star shape for carbide bush hammer tips, rectangular carbide stone cutting tips, square carbide inserts for stone cutting, star shape carbide stone cutting inserts, etc or customized carbide stone cutting tips/ carbide tips for stone surface grinding.
Type
1) 5 point stone surface grinding tips: Ф33xФ8.1x6.4-5Z
2) 10 point stone surface grinding inserts: Ф33xФ8.1x6.3-10C
3) 15 point carbide tips for stone grinding: Ф49.2xФ20x6.0-15Z
Used on granite, marble, sandstone, concrete etc to make rough surface, it can be used for the processing of various kinds of stones, such as limestone, sandstone, tufa stone, etc.
Advantage
Tungsten carbide rotary bush hammer roller tool tips for stone marble grinding
Main Grades
K20/K30/K40/YC20/YC15
OEM & ODM
Customized designs or grades for stone grinding tips as per drawings or samples are available
Application
rich experience in this field, factory direct price, fast delivery, excellent service
Just show one type of drawing for carbide bush hammer roller tips FYI.

Application of tungsten carbide tips for stone
Stone cutting tips are made from 100% virgin tungsten carbide material which has high wear resistance,high hardness,
high impact resistance,etc.Bush hammer grinding for granite or concrete is a construction tool used for texturizing and
grinding concrete and stone. Floor bush hammer plates can adapt to several kinds of grinder, from simple hand-held
hammers to large electric machines, but the basic function of the regular bush hammer is always the same - 30pcs/
45pcs/60pcs of conical or pyramidal carbide tips welded at the top of a large metal plate. The repeated hit of these
carbide tips into stone or concrete surface creates a rough, pockmarked texture that looks like naturally weathered
rock.Bush hammer plates for concrete and stone can help to increase bonding effectiveness when applying new
concrete to an existing concrete surface by increasing the surface area of the bonding zone.


Package of carbide bush hammer star inserts for stone surface grinding
Firstly put the cemented carbide rotary bush hammer roller tips into plastic box, then put plastic box which comes with
carbide stone grinding tips into carton or wooden case. Standard export packaging or customize the packing for carbide
bush hammer insert for stone cutting as per customers' requirement.

Main types of carbide stone cutting tips


Similar Video Recommendation
If you are interested in the product, contact Bossgoovideo.com for more information
- *To:
- Zhuzhou Kerui Cemented Carbide Co., Ltd.
- *Message:
-
Submit
Main Product:
Carbide Button,
Carbide Rod,
Tungsten Carbide Strip,
Carbide Bar for VSI Crusher ,
Carbide Stone Cutting Tips,
Tungsten Carbide Plate