Sign in
Menu
Sign in

Ball Screw with WS2 Coating

4 year ago
16 0
Product details

 High precision 4mm diameter ball screw 0401,has high durable and low friction. It can attached no gap and axial play.Miniature ball   screw  is composed of screw, nut and ball. Its function is to convert rotary motion into linear motion, which is the further extension and   development of ball screws. The important significance of this development is to change the bearing from rolling action to sliding action.   Ball screw is widely used in various industrial equipment and precision instruments because of its small friction resistance.Quality is the   foundation of SCREWTECH. We are committed to serving every customer and providing products that meet strict standards to ensure   quality, durability and precision. Customers provide drawings (CAD and 3D drawings are both available), and sales engineer check   feasibility, then submit drawings to our professional engineers and make suitable proposal.


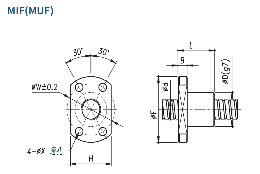
MIF0401

Model d D F L B W H X Dynamic load Static load Axial clearance(mm)
MIF0401 4 10 20 12 3 15 14 2.9 490 700 0-0.005
MIF0501 5 10 20 12 3 15 14 2.9 530 810 0-0.005
MIF0601 6 12 24 15 3.5 18 16 3.4 580 1000 0-0.005
MIF0602 6 12 24 15 3.5 18 16 3.4 750 1200 0-0.005
MIF0801 8 14 27 16 4 21 18 3.4 780 1650 0-0.005
MIF0802 8 14 27 16 4 21 18 3.4 1500 2600 0-0.005
MIF0802.5 8 16 29 26 4 23 20 3.4 1850 3000 0-0.005
MUF0804 8 16 29 26 4 23 20 3.4 2350 3300 0-0.005


Main Features
1.High mechanical efficiency
2 .Axial play
3. High precision
4. Long service life
Accuracy grade: C3, C5, C7
Other characteristics: Smooth running
Name: Ball Screw 
Brand: SCREWTECH
Original: Suzhou, China (Mainland)
Packaging Details:
In cartons or Wooden cases upon your requirement
For samples:
we have DHL, FEDEX VIP account, so the shipping freight will be much cheaper after discount.
For bulk order: 
we have freight forwarder to ship by air,by train or by sea.You can also arrange shipping through your own agent.
Port: 
Shanghai
Lead Time:
7-15 days



Bossgoovideo.com Contact Now

If you are interested in the product, contact Bossgoovideo.com for more information

*To:
SCREW TECHNOLOGY CO., LIMITED
*Message:
Submit
Disclaimer :
The information of Bossgoovideo.com limited shown above is provided by the user or collected on the network. Video 2B does not guarantee the authenticity,accuracy and legitimacy of Bossgoovideo.com limited information. Video 2B does not involve legal relationships and disputes between users arising from transactions other than secured transactions on this website. Disputes shall be settled by you through negotiation. If you are the person in charge or relevant employee of this enterprise, if you find that the enterprise information is incorrect or want to manage thiscompany, please contact us jacklee1558@gmail.com, after you claim the enterprise, you can obtain management permission, publish supplyand demand information, bring consulting orders, and remove page advertisements.
Suppliers
SCREW TECHNOLOGY CO., LIMITED
  Audited supplier
6 year


Main Product: Ball Screw, Lead Screw, Linear Motion, Single Axis Robot, Miniature Precision Ball Screw, Linear Bearing