YZPST-GMZP7500A600V
5 month agoReverse Blocking
|
VRRM (1) |
VRSM (1) |
|
600 |
600 |
VRRM = Repetitive peak reverse voltage
VRSM = Non repetitive peak reverse voltage (2)
Notes:
All ratings are specified for Tj=25 oC unless otherwise stated.
(1) All voltage ratings are specified for an applied 50Hz/60zHz sinusoidal waveform over the temperature range -40 to +1850 oC.
(2) 10 msec. max. pulse width
(3) Maximum value for Tj = 150 oC.
(4) See parameter definition below :
|
Repetitive peak reverse leakage |
IRRM |
4 mA 100 mA |
Conducting - on state

THERMAL AND MECHANICAL CHARACTERISTICS
|
Parameter |
Symbol |
Min. |
Max. |
Typ. |
Units |
Conditions |
|
Operating temperature |
Tj |
-40 |
+150 |
|
oC |
|
|
Storage temperature |
Tstg |
-40 |
+150 |
|
oC |
|
|
Thermal resistance - junction to case |
RΘ (j-c) |
|
0.009 |
|
K / kW |
Double side cooled Single sided cooled |
|
Thermal resistance - case to sink |
RΘ (c-s) |
|
0.005 - |
|
K/kW |
Double side cooled Single sided cooled |
|
Thermal resistance - junction to sink |
RΘ (j-s) |
|
- - |
|
oC/kW |
Double side cooled Single sided cooled |
|
Mounting force |
P |
24 |
30 |
|
kN |
|
|
Weight |
W |
|
|
0.078 |
Kg |
about |
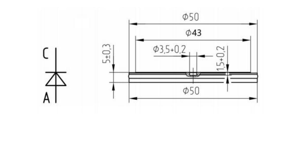
CASE OUTLINE AND DIMENSIONS

Similar Video Recommendation
If you are interested in the product, contact Bossgoovideo.com for more information
- *To:
- YANGZHOU POSITIONING TECH CO., LTD.
- *Message:
-
Submit
Main Product:
Semiconductor Triac,
Semiconductor Thyristor ,
Semiconductor Module,
Power Diode,
Silicon Transistor,
Bridge Rectifier