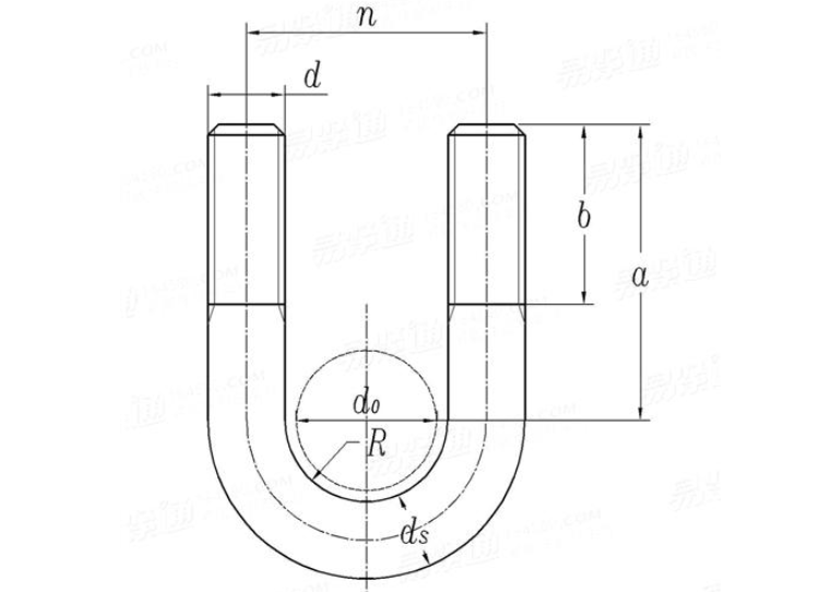
Wire rope clamps for cable end connections
3 year ago
Concrete Anchors,,L type anchor bolts,J type anchor bolts ,general purpose drywall anchors,Sharp drywall anchors ,Toggle bolts ,Nail-in drywall anchors,Screw type expansion anchor bolts,Drive pin anchor bolts ,drop in expansion anchor bolts,sleeve type expansion anchor bolts
Similar Video Recommendation
You May Also Like
If you are interested in the product, contact Bossgoovideo.com for more information
- *To:
- Kunshan Zhonggu Precision Hardware Co., Ltd.
- *Message:
-
Submit
Main Product:
Hex Bolts ,
Machine Screws,
Hex Nuts,
Flat Washers,
Sharp Drywall Anchor,
Expansion Screw
You May Also Like

