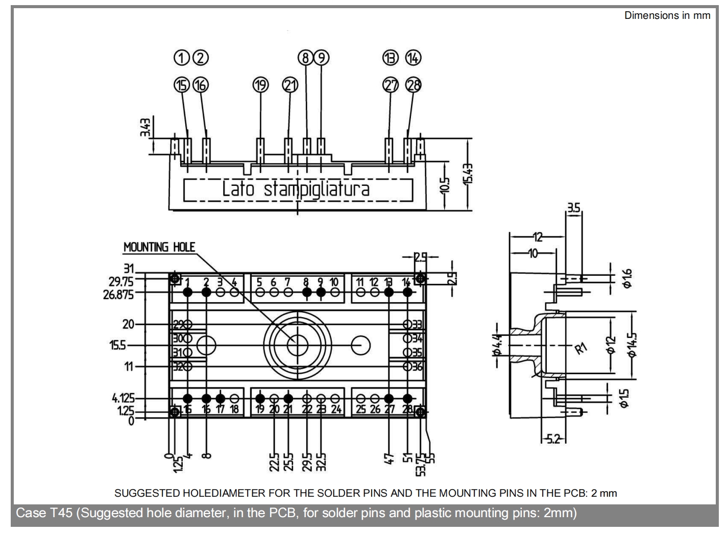
SK60DTA16 Thyristor Module
2 year agoVRSM V | VRRM, V DRM V | ID = 61 A (Ts = 80 ℃) |
900 | 800 | SK 60 DTA 08 |
1300 | 1200 | SK 60 DTA 12 |
1700 | 1600 | SK 60 DTA 16 |



Similar Video Recommendation
You May Also Like
If you are interested in the product, contact Bossgoovideo.com for more information
- *To:
- YANGZHOU POSITIONING TECH CO., LTD.
- *Message:
-
Submit
Main Product:
Semiconductor Triac,
Semiconductor Thyristor,
Semiconductor Module,
Power Diode ,
Silicon Transistor,
Bridge Rectifier
You May Also Like